Войти
0%

Приоритет балки

Назад
Содержание

Приоритет балки

0
Открытие инструмента «Приоритет балки»

1. Инструмент «Приоритет балки» находится на ленте Revit во вкладке Marks – Несущие конструкции

Рис. 1. Инструмент «Приоритет балки» на ленте

2. Окно инструмента «Приоритет балки».

Рис. 2. Окно «Приоритет балки»

Описание функционала и принцип работы инструмента «Приоритет балки»

Инструмент предназначен для изменения приоритета соединения всех балок и плит перекрытий/колонн/стен в проекте.

Принцип работы инструмента основан на стандартном функционале Revit «Переключить порядок присоединения».

Рис. 3. Окно «Переключить порядок присоединения»

Однако, данный способ позволяет переключать элементы по одному, соответственно, если у вас в проекте большое количество элементов, процесс окажется трудоёмким. 

«Приоритет балки» позволяет переключить порядок присоединения всех балок, находящихся в проекте.

Для этого нужно перейти на вид, в область видимости которого попадают балки, у которых требуется изменить приоритет соединения. (На рис. 4 приоритетная конструкция – плита).

Рис. 4. Вид с балками (приоритет - плита перекрытия)

Открыть окно инструмента и выбрать соответствующее семейство балок или все балки на виде, а также выставить будущую приоритетную конструкцию (в нашем случае балка).

Рис. 5. Выбор семейства балок, для которых требуется изменить приоритет.

Нажать кнопку «ОК» и после обработки закрыть окно.

Рис. 6. Измененный приоритет балок

Выбранные семейства балок изменили свой приоритет соединения по отношению к плите перекрытия.

Данный инструмент работает и в обратном случае, когда требуется изменить приоритет у плиты/колонны/стены к балке.

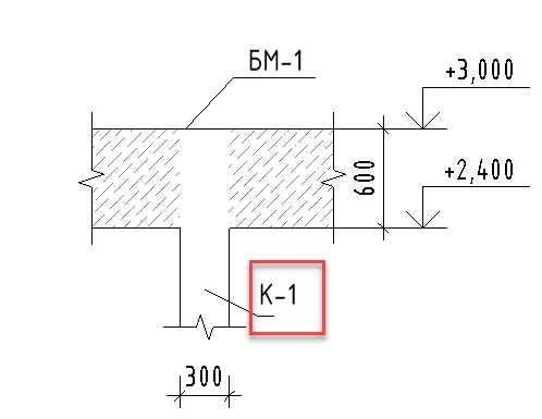
Рис. 7. Балка БМ-1 главная по отношению к колонне К-1

Открыть окно инструмента и выбрать соответствующее семейство балок и выставить приоритетную конструкцию «Иная конструкция».

Рис. 8. Выбор семейства балок и конструкций, для которых требуется изменить приоритет

Нажать кнопку «ОК» и после обработки закрыть окно.

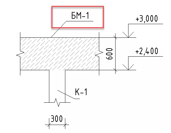
Рис. 9. Колонна КМ-1 главная по отношению балке БМ-1

Выбранные семейства балок изменили свой приоритет соединения по отношению к колонне.

Комментарии
0
Удалить цитату
Отправить
Комментарий опубликован
Хорошо

Мы применяем cookie, чтобы сделать использование сайта удобнее для вас

Переверните устройство в вертикальное положение
Регистрация
Зарегистрироваться
Зарегистрироваться через:
Есть аккаунт?
Войти

Оставляя свои данные вы соглашаетесь с политикой конфиденциальности

Регистрация
Зарегистрироваться
Зарегистрироваться через:
Есть аккаунт?
Войти
Войдите с помощью учётной записи
По почте
По телефону
Test error
Test error
Войти через:
У вас нет учётной записи?
Зарегистрироваться
Войдите с помощью учётной записи
По почте
По телефону
Test error
Войти через:
У вас нет учётной записи?
Зарегистрироваться
Подтверждение телефона

Смс с кодом было отправлено на номер:

Test error
Запросить еще раз
00:00
Вход по телефону

Смс с кодом было отправлено на номер:

Test error
Запросить еще раз
00:00
Забыли пароль?

Введите адрес электронной почты, который вы использовали для регистрации. Вам будет отправлено письмо с инструкциями по сбросу пароля

Test error
Запросить
Помните пароль?
Войти

Войти
Чтобы оставить комментарий - нужно авторизоваться
Войти
У вас нет учётной записи?
Зарегистрироваться
Чтобы поставить лайк - нужно авторизоваться
Войти
У вас нет учётной записи?
Зарегистрироваться